1. Главная
  2. / Категории
  3. / ЖЕЛЕЗОБЕТОННЫЕ ИЗДЕЛИЯ
  4. / Плиты перекрытия и днища
  5. / Плиты перекрытия ПТУ
  6. / Плита перекрытия лотков и каналов угловая ПТУ 75.45.6-6

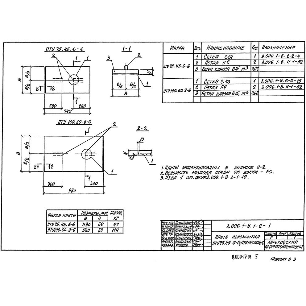
Плита перекрытия лотков и каналов угловая ПТУ 75.45.6-6

Выбор цены
Характеристики
Длина: 740 мм
Ширина: 430 мм
Высота: 60 мм
Масса: 50 кг
Бетон м3: 0.02

Описание

Плита перекрытия лотков и каналов угловая ПТУ 75.45.6-6 (0,74х0,43х0.06) - 

Описание: Угловые плиты перекрытия, обозначаемые как ПТУ 75.45.6-6, выделяются своими особенностями и преимуществами, благодаря чему находят широкое применение при строительстве теплотрасс, каналов, тоннелей и других инженерных сооружений.

Характеристика:

Конструкция:

В большинстве случаев, данные элементы производятся на заказ, что обусловлено их нестандартной формой и необходимостью применения на сложных участках, где стандартные решения неприменимы. Важно отметить, что изготовление плит ПТУ осуществляется исключительно в заводских условиях с обязательным контролем качества.

Маркировка и контроль качества:

Проектная документация, требования к материалам и другие параметры регламентируются действующим стандартом – Серия 3.006.1-8, который является обязательным для исполнения. Маркировка плит ПТУ 75.45.6-6 выполняется в соответствии с Серией 3.006.1-8 и представляет собой комбинацию буквенных и цифровых символов, позволяющих определить назначение и характеристики изделия.

Буквенная и цифровая часть маркировки плиты ПТУ 75.45.6-6 (0,74х0,43х0.06)- обозначает:

ПТУ- плита перекрытия угловая;
75–длина изделия;
45 –ширина;
6 – толщина;
6 – расчетная вертикальная нагрузка;
а – плита днища каналов.
Маркировочные знаки, а также дата изготовления и масса изделия находятся на торцевой грани плиты.

Основная область применения:

Данные угловые плиты широко используются в различных отраслях, включая гражданское строительство. Их применение особенно оправдано в промышленности в силу доступной стоимости и высоких эксплуатационных характеристик, позволяющих применять их в сложных условиях. Непрямая форма плит позволяет использовать их на участках изменения направления трубопроводов. Основная задача – защита коммуникаций и сетей от обрушения грунта, повреждения изоляции, проникновения грунтовых вод и других неблагоприятных факторов.

Плиты ПТУ устанавливаются на лотки в местах угловых соединений (перекрывая стык лотков под углом 90 градусов), а для соединения элементов используются металлические скобы. Образовавшиеся швы подлежат замоноличиванию цементным раствором, обработке мастикой и гидрофобными составами, что обеспечивает герметичность канала.

Транспортировка и хранение:

Во избежание повреждения при транспортировке и хранении плиты ПТУ 75.45.6-6 размещаются вертикально («на ребро») в штабелях высотой не более 2,5 метров. Нижний ряд плит поддерживается деревянной подложкой толщиной не меньше трех сантиметров. Во время перевозки изделия фиксируются крепежными приспособлениями, исключающими риск механических повреждений.
Таким образом, плита перекрытия ПТУ является важным компонентом современных инженерных коммуникаций, обеспечивающим надежность, долговечность и удобство обслуживания подземных и поверхностных каналов различного назначения. 

Заключение:

Плиты ПТУ 75.45.6-6 для перекрытия лотков и каналов являются важными элементами современных строительных технологий, помогающими создавать надежные и функциональные инженерные системы. Их высокие технические характеристики, легкость монтажа и долговечность делают эти изделия востребованными в различных отраслях строительства и инфраструктуры.

Приобретение: 

Угловые плиты перекрытия ПТУ 75.45.6-6 (0,74х0,43х0.06) - можно приобрести на сайте через удобную форму онлайн заказа, позвонив нашим менеджерам (смотрите контакты), или на наших базах в Ростове-на-Дону, Краснодаре и Шахтах. Через сайт, в онлайн режиме, можно написать или позвонить нашим профессиональным менеджерам и получить интересующую информацию.

 ООО " ППТК " Энергострой", являясь крупным производителем железобетонных изделий на юге России,гарантируем качество, наличие на складах и оптимальные цены на угловые плиты ПТУ 75.45.6-6 (0,74х0,43х0.06). Осуществляем доставку своим транспортом по Краснодарскому краю, Ростовской области. В другие регионы по договоренности.  

Каталог
Корзина
Избранное
Контакты
MAX
Краснодар
MAX
Ростов-на-Дону
Краснодар
Ростов-на-Дону