1. Главная
  2. / Категории
  3. / ЖЕЛЕЗОБЕТОННЫЕ ИЗДЕЛИЯ
  4. / Плиты перекрытия и днища
  5. / Плиты днища ПДУ
  6. / Плита днища каналов угловая ПДУ 230.240.20-6

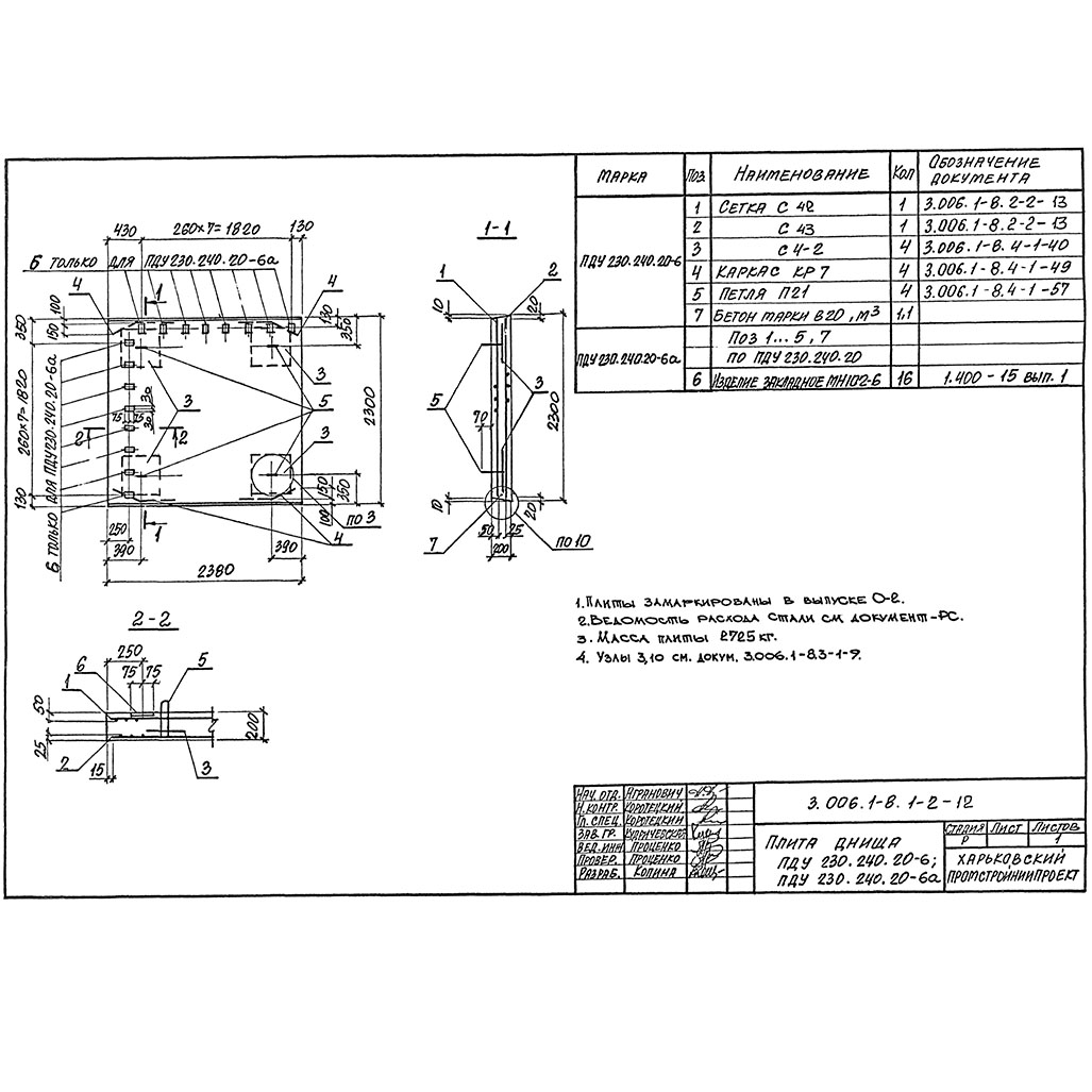
Плита днища каналов угловая ПДУ 230.240.20-6

Выбор цены
Характеристики
Длина: 2270 мм
Ширина: 2380 мм
Высота: 200 мм
Масса: 2750 кг
Бетон м3: 1.1

Описание

Плита днища каналов угловая ПДУ 230.240.20-6 (2,38х2,30х0,20), серия 3.006.1-8

Описание: Угловые плиты для днища каналов типа ПДУ 230.240.20-6 используются при возведении инженерных коммуникаций, в частности, каналов и теплотрасс. В отличие от прямых участков, некоторые зоны требуют выполнения поворотов, создания компенсационных камер, расширений, что связано с особенностями ландшафта.  Для этих целей применяются специальные элементы, к которым относятся угловые плиты ПДУ 230.240.20-6. Эти железобетонные изделия имеют особую форму и повышенную прочность, позволяющую выдерживать значительные статические и динамические нагрузки.

Характеристика:

Конструкция и область применения:

Данные плиты применяются в составе канальных конструкций с лотковыми элементами. Лотки монтируются на днище, стыки герметизируются, образуя закрытый инженерный канал.            ПДУ 230.240.20-6 используются в зонах изгибов, поворотов, расширений тепловых сетей и трубопроводов, а также в других "сложных" участках.

Плиты ПДУ 230.240.20-6 угловые применяют в качестве доборных элементов при сооружении каналов и тоннелей для различных целей, чаще всего – для газовых и канальных сетей. Прокладка коммуникаций в каналах экономически обоснована и удобна в обслуживании. Для ремонта достаточно вскрыть канал.

Глубина залегания каналов с плитами ПДУ 230.240.20-6 варьируется от 0,5 до 6 метров. На большой глубине плиты подвергаются высоким нагрузкам, поэтому важно соблюдать технологию производства. Плиты не предназначены для перекрытий зданий.

Герметичность канала критична для защиты коммуникаций от внешних воздействий, таких как обвалы, грунтовые воды, температурные колебания. Днище укладывается на подготовленное щебёночно-песчаное основание.

Маркировка и контроль качества:

Маркировка угловых плит ПДУ для днищ соответствует стандарту Серии 3.006.1-8, где указывается тип изделия и его габариты. Возможны различные варианты написания маркировки, например, ПДУ 230.240.20-6.

Маркировка включает тип изделия (ПДУ), размеры (длина, ширина, высота) в дециметрах и допустимую вертикальную нагрузку (тс/м2). Например, ПДУ 230.240.20-6 означает:

Основные параметры: длина 2300 мм, ширина 2380 мм, высота 200 мм, объем бетона 1,1 м3, масса 2750 кг. Маркировка наносится несмываемой краской.

Материалы и производство:

Для изготовления применяют тяжелый бетон класса не ниже В15 (М200) с использованием щебня и песка. Это обеспечивает водонепроницаемость (W4), морозостойкость (F300) и трещиностойкость. Обязательно армирование сталью класса A-I и A-III. Металлические элементы проходят антикоррозийную обработку.

Транспортировка и хранение:

Транспортировка плит ПДУ 230.240.20-6 осуществляется "на ребро" с закреплением стальной лентой и использованием деревянных подкладок. Хранение – в штабелях высотой до 2,5 метров с прокладкой изолирующего материала между слоями.

Приобретение: 

Плиты днищ каналов угловые ПДУ 230.240.20-6 (2,38х2,30х0,20), серия 3.006.1-8 - можно приобрести на сайте через удобную форму онлайн заказа, позвонив нашим менеджерам (смотрите контакты), или на наших базах в Ростове-на-Дону, Краснодаре и Шахтах. Через сайт, в онлайн режиме, можно написать или позвонить нашим профессиональным менеджерам и получить интересующую информацию.

ООО " ППТК " Энергострой", являясь крупным производителем железобетонных изделий на юге России, гарантируем качество, наличие на складах и оптимальные цены на плиты днищ каналов угловые ПДУ 230.240.20-6 (2,38х2,30х0,20), серия 3.006.1-8. Осуществляем доставку своим транспортом по Краснодарскому краю, Ростовской области. В другие регионы по договоренности.

 

 

Смотрите также

Плита днища ПН 25 инд.пр. индивидуальный проект
1.1.135 Плита днища ПН 25 инд.пр. индивидуальный проект
Характеристики
Высота
140 мм
D
2700 мм
Масса
1992 кг

Плита днища ПН 25 инд.пр. Плита днища ПН 25 индивидальный проек...

Выбор цены
Подробнее
Плита днища Д-25-25 ТПР 901-09-11.84 КЖИ
1.3.311.1 Плита днища Д-25-25 ТПР 901-09-11.84 КЖИ
Характеристики
Длина
3000 мм
Ширина
3000 мм
Высота
120 мм

Выбор цены
Подробнее
Плита днища Д-40-25 ТПР 901-09-11.84
1.3.315 Плита днища Д-40-25 ТПР 901-09-11.84
Характеристики
Длина
4500 мм
Ширина
3000 мм
Высота
150 мм

Выбор цены
Подробнее
Плита днища Д-35-20 ТПР 901-09-11.84
1.3.314 Плита днища Д-35-20 ТПР 901-09-11.84
Характеристики
Длина
4000 мм
Ширина
2500 мм
Высота
120 мм

Выбор цены
Подробнее
Плита днища Д-30-25 ТПР 901-09-11.84
1.3.313 Плита днища Д-30-25 ТПР 901-09-11.84
Характеристики
Длина
3500 мм
Ширина
2500 мм
Высота
150 мм

Выбор цены
Подробнее
Плита днища Д-30-20 ТПР 901-09-11.84
1.3.312 Плита днища Д-30-20 ТПР 901-09-11.84
Характеристики
Длина
3500 мм
Ширина
2500 мм
Высота
120 мм

Выбор цены
Подробнее
Плита днища Д-25-20 ТПР 901-09-11.84
1.3.311 Плита днища Д-25-20 ТПР 901-09-11.84
Характеристики
Длина
3000 мм
Ширина
2500 мм
Высота
120 мм

Выбор цены
Подробнее
Плита днища каналов угловая ПДУ 170.180.14-6 Серия 3.006.1-8 Выпуск 1-2, стр 14
1.3.286 Плита днища каналов угловая ПДУ 170.180.14-6 Серия 3.006.1-8 Выпуск 1-2, стр 14
Характеристики
Длина
1650 мм
Ширина
1780 мм
Высота
140 мм

Плита днища каналов угловая ПДУ 170.180.14-6 (1,65х1,78х0,14), серия 3...

Выбор цены
Подробнее
Плита днища каналов угловая ПДУ 150.150.12-6 Серия 3.006.1-8 Выпуск 1-2, стр 14
1.3.285 Плита днища каналов угловая ПДУ 150.150.12-6 Серия 3.006.1-8 Выпуск 1-2, стр 14
Характеристики
Длина
1480 мм
Ширина
1480 мм
Высота
120 мм

Плита днища каналов угловая ПДУ 150.150.12-6 (1,48х1,48х0,12), серия 3...

Выбор цены
Подробнее
Плита днища каналов угловая ПДУ 140.150.12-6 Серия 3.006.1-8 Выпуск 1-2, стр 14
1.3.284 Плита днища каналов угловая ПДУ 140.150.12-6 Серия 3.006.1-8 Выпуск 1-2, стр 14
Характеристики
Длина
1350 мм
Ширина
1480 мм
Высота
120 мм

Плита днища каналов угловая ПДУ 140.150.12-6 (1,35х1,48х0,12), серия 3...

Выбор цены
Подробнее
Плита днища каналов угловая ПДУ 110.120.12-6 Серия 3.006.1-8 Выпуск 1-2, стр 13
1.3.283 Плита днища каналов угловая ПДУ 110.120.12-6 Серия 3.006.1-8 Выпуск 1-2, стр 13
Характеристики
Длина
1100 мм
Ширина
1180 мм
Высота
120 мм

Плита днища каналов угловая ПДУ 110.120.12-6 (1,18х1,10х0,12), серия 3...

Выбор цены
Подробнее
Плита днища каналов угловая ПДУ 60.60.8-6 Серия 3.006.1-8 Выпуск 1-2, стр 13
1.3.281 Плита днища каналов угловая ПДУ 60.60.8-6 Серия 3.006.1-8 Выпуск 1-2, стр 13
Характеристики
Длина
580 мм
Ширина
580 мм
Высота
80 мм

Плита днища каналов угловая ПДУ 60.60.8-6 (0,58х0,58х0,08), серия 3.00...

Выбор цены
Подробнее
Плиты днища ПДУ серия 3.006.1-8
1.3.280 Плиты днища ПДУ серия 3.006.1-8

Угловые плиты для днища каналов типа ПДУиспользуются при возведении ин...

Плита днища ПН 20 ГОСТ серия 3.900.1-14 выпуск 1
1.1.143 Плита днища ПН 20 ГОСТ серия 3.900.1-14 выпуск 1
Характеристики
Высота
120 мм
D
2500 мм
Масса
1480 кг

Плита днища ПН 20 ГОСТ серия 3.900.1-14 выпуск 1 Плита днищ...

Выбор цены
Подробнее
Плита днища ПН 15 ГОСТ серия 3.900.1-14 выпуск 1
1.1.142 Плита днища ПН 15 ГОСТ серия 3.900.1-14 выпуск 1
Характеристики
Высота
120 мм
D
2000 мм
Масса
950 кг

Плита днища ПН 15ГОСТ серия 3.900.1-14 выпуск 1 Плита днища...

Выбор цены
Подробнее
Плита днища ПН 10 ГОСТ серия 3.900.1-14 выпуск 1
1.1.141 Плита днища ПН 10 ГОСТ серия 3.900.1-14 выпуск 1
Характеристики
Высота
100 мм
D
1500 мм
Масса
450 кг

Плита днища ПН 10 ГОСТ серия 3.900.1-14 выпуск 1 Плита днища...

Выбор цены
Подробнее
Плита днища ПН 20 ТУ ТУ 5853-001-40547719-2014
1.1.134 Плита днища ПН 20 ТУ ТУ 5853-001-40547719-2014
Характеристики
Высота
120 мм
D
2200 мм
Масса
1150 кг

Плита днища ПН 20 ТУ ТУ 5853-001-40547719-2014 Плита днища П...

Выбор цены
Подробнее
Плита днища ПН 15 ТУ ТУ 5853-001-40547719-2014
1.1.133 Плита днища ПН 15 ТУ ТУ 5853-001-40547719-2014
Характеристики
Высота
120 мм
D
1680 мм
Масса
680 кг

Плита днища ПН 15 ТУ ТУ 5853-001-40547719-2014 Плита днища П...

Выбор цены
Подробнее
Плита днища ПН 10 ТУ ТУ 5853-001-40547719-2014
1.1.132 Плита днища ПН 10 ТУ ТУ 5853-001-40547719-2014
Характеристики
Высота
100 мм
D
1160 мм
Масса
280 кг

Плита днища ПН 10 ТУ ТУ 5853-001-40547719-2014 Плита днища П...

Выбор цены
Подробнее
Плита днища ПН 7 ТУ ТУ 5853-001-40547719-2014
1.1.131 Плита днища ПН 7 ТУ ТУ 5853-001-40547719-2014
Характеристики
Высота
100 мм
D
840 мм
Масса
140 кг

Плита днища ПН 7 ТУ ТУ 5853-001-40547719-2014 Плита днища ПН...

Выбор цены
Подробнее
Плиты днища колодцев (низа) ПН ТУ 5853-001-40547719-2014, серия 3.900.1-14 выпуск 1
1.1.130 Плиты днища колодцев (низа) ПН ТУ 5853-001-40547719-2014, серия 3.900.1-14 выпуск 1

Применение плит днища ПН Одним из основных элементов железобетонных...

Каталог
Корзина
Избранное
Контакты
MAX
Краснодар
MAX
Ростов-на-Дону
Краснодар
Ростов-на-Дону