1. Главная
  2. / Категории
  3. / ЖЕЛЕЗОБЕТОННЫЕ ИЗДЕЛИЯ
  4. / Плиты перекрытия и днища
  5. / Плиты опорные ПО
  6. / Плита опорная ПО-2 с отверстием 700

Плита опорная ПО-2 с отверстием 700

Выбор цены
Характеристики
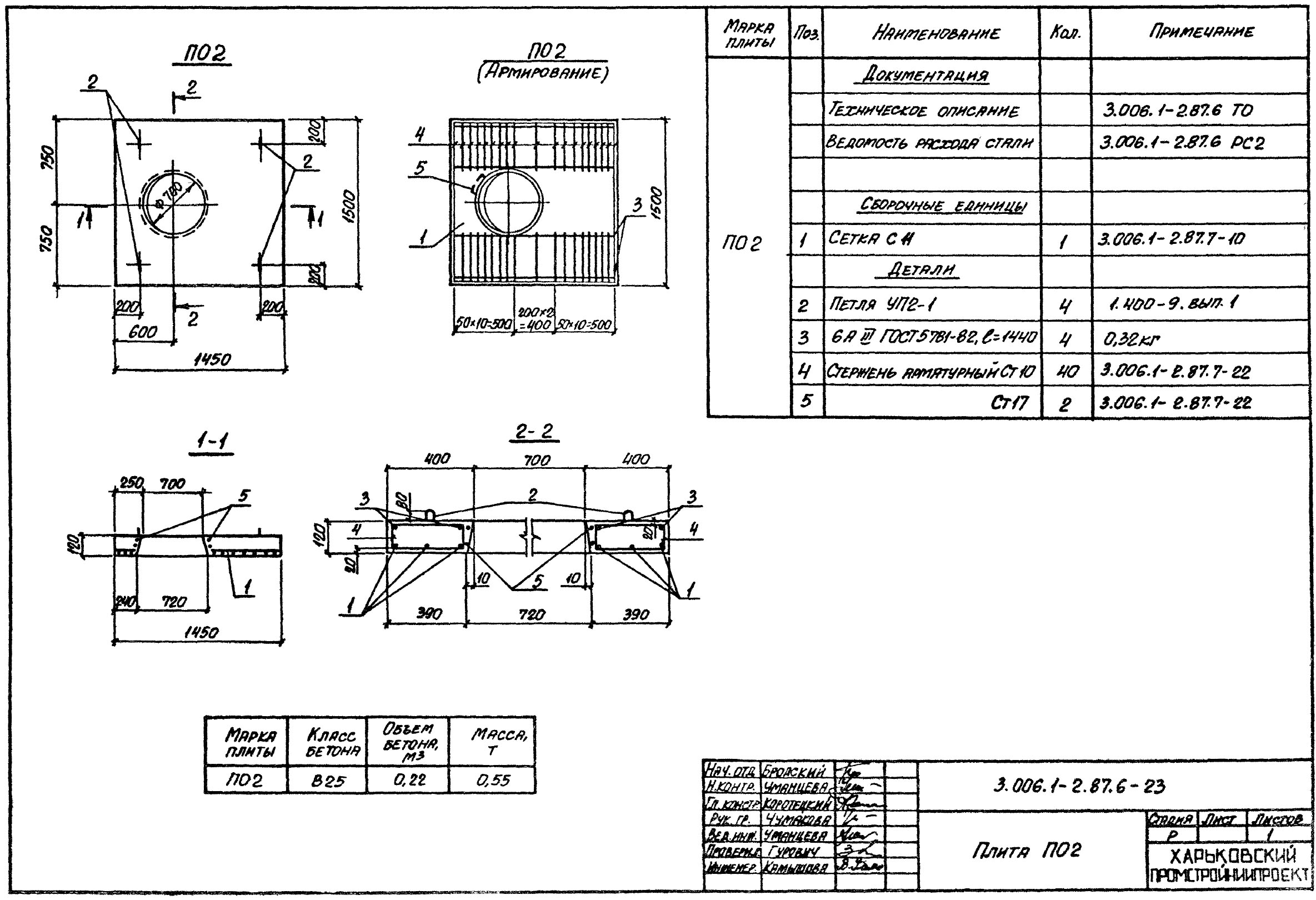
Длина: 1450 мм
Ширина: 1500 мм
Высота: 120 мм
Отверстие: 700 мм
Масса: 550 кг
Бетон м3: 0.22

Описание

Плита опорная ПО-2 (1,45х1,50х0,12) с/о 700, серия 3.006.1-2.87

Железобетонная плита перекрытия ПО-2 предназначена для организации надежных проходов и технических зон в системах инженерных коммуникаций. Она представляет собой прямоугольную панель с одним технологическими отверстиями диаметром 700 мм, специально предусмотренными для последующего размещения смотрового оборудования и ревизионных шахт. 

Характеристика:

Конструкция и область применения:

Основная цель плиты ПО-2 — обеспечение эффективного перекрытия лотков и каналов, образующих узлы и камеры инженерных сооружений. Конструктивно изделие выполнено из тяжелого бетона класса В25 (М200- М300), усиленного высококачественными стальными арматурными конструкциями классов А-I и A-III. Такое сочетание материалов придает
изделию высокую несущую способность, необходимую для эксплуатации в сложных условиях, когда глубина прокладки каналов достигает от полуметра до шести метров под землей или дорожным покрытием. Дополнительно предусмотрено усиление армирующего каркаса в зоне отверстий, чтобы обеспечить равномерное распределение нагрузок и
предотвратить деформацию плиты. Каркас выполнен из сварных металлических сеток и отдельных стержневых элементов, расположенных под защитным слоем бетона толщиной порядка 15–20 мм. 

Эксплуатационные преимущества:

Использование плиты перекрытия ПО 2 способствует надежной защите инженерных коммуникаций от проникновения воды, повреждений изоляционного слоя и возможных обвалов грунта. Специальные добавки в бетонную смесь обеспечивают повышенную стойкость к агрессивным веществам и длительному контакту с водой, продлевая эксплуатационный ресурс изделия. Вес плиты составляет примерно 550 кг, что обеспечивает плотную посадку и предотвращает самопроизвольное перемещение плиты относительно основания канала. Установка плиты обычно осуществляется с помощью строповочных отверстий, реже используются монтажные петли. 

Стандартизация и сертификация: 

Технические требования и конструктивные схемы плиты определены проектной документацией серии 3.006.1-2.87, выпуск 6. Размеры плиты соответствуют следующим параметрам: длина — 1450 мм, ширина — 1500 мм, высота — 120 мм. Эти габариты оптимальны для стандартных схем перекрытия камер и узлов каналов.

Дополнительные свойства и рекомендации:

Плита ПО 2 отличается высокими показателями морозостойкости (F300), что идеально подходит для климатических условий центральной части России с частым колебанием температуры воздуха. Совместно с качественным гидропароизоляционным покрытием обеспечивается эффективная защита внутренней полости канала от увлажнения и конденсата. Важно отметить, что данная плита не предназначена для перекрытия строительных объектов общего назначения. Для обеспечения полной герметичности каналов применяются сплошные плиты типа ПО без отверстий.

Маркировка и контроль качества:

Изделие маркируется специальной буквенно-цифровой кодировкой, отражающей тип плиты, размерные характеристики и предельную расчетную нагрузку. Например, условное обозначение «ПО-2 (1,45х1,50х0,12)» расшифровывается следующим образом:
ПО — плита перекрытия каналов с отверстием,
цифры — геометрические размеры изделия.
Каждый экземпляр плиты снабжается маркировочными знаками, датой выпуска и массой, нанесенными на торце плиты. Контроль качества включает проверку прочности бетона, точности геометрии, целостности защитных слоев и правильности исполнения арматурного каркаса. Каждая партия продукции сопровождается официальным техническим паспортом, подтверждающим соответствие установленным требованиям государственных стандартов.

Транспортировка и хранение:

Во избежание повреждения при транспортировке и хранении плиты ПО 2 размещаются вертикально («на ребро») в штабелях высотой не более 2,5 метров. Нижний ряд плит поддерживается деревянной подложкой толщиной не меньше трех сантиметров. Во время перевозки изделия фиксируются крепежными приспособлениями, исключающими риск механических повреждений.
Таким образом, плита перекрытия ПО 2 является важным компонентом современных инженерных коммуникаций, обеспечивающим надежность, долговечность и удобство обслуживания подземных и поверхностных каналов различного назначения. 

Заключение:

Плиты ПО-2 для перекрытия лотков и каналов являются важными элементами современных строительных технологий, помогающими создавать надежные и функциональные инженерные системы. Их высокие технические характеристики, легкость монтажа и долговечность делают эти изделия востребованными в различных отраслях строительства и инфраструктуры.

Приобретение: 

Плиту опорную ПО-2 (1,45х1,50х0,12) с/о 700, серия 3.006.1-2.87 - можно приобрести на сайте через удобную форму онлайн заказа, позвонив нашим менеджерам (смотрите контакты), или на наших базах в Ростове-на-Дону, Краснодаре и Шахтах. Через сайт, в онлайн режиме, можно написать или позвонить нашим профессиональным менеджерам и получить интересующую информацию.

ООО " ППТК " Энергострой", являясь крупным производителем железобетонных изделий на юге России, гарантируем качество, наличие на складах и оптимальные цены на Плиты перекрытия ПО-2 (1,45х1,50х0,12) с/о 700, серия 3.006.1-2.87. Осуществляем доставку своим транспортом по Краснодарскому краю, Ростовской области. В другие регионы по договоренности.

Смотрите также

Плита опорная ОП-1д индивидуальный проект
1.3.296 Плита опорная ОП-1д индивидуальный проект
Характеристики
Длина
1615 мм
Ширина
1615 мм
Высота
250 мм

Опорная плита ОП-1Д (1,615х1,615х0,25) с отв. 800х400, индивидуальный...

Выбор цены
Подробнее
Плита опорная ПО-10 серия 3.900.1-14 выпуск 1 стр. 1,7,21
1.3.297 Плита опорная ПО-10 серия 3.900.1-14 выпуск 1 стр. 1,7,21
Характеристики
Длина
1700 мм
Ширина
1700 мм
Высота
150 мм

Плита опорная ПО-10 (1,70х1,70х0,15) с/о 1000, серия 3.900.1-14 - конс...

Выбор цены
Подробнее
Плита опорная ОП-1к Альбом ПС-334, стр 16
1.3.295 Плита опорная ОП-1к Альбом ПС-334, стр 16
Характеристики
Длина
1615 мм
Ширина
1615 мм
Высота
250 мм

Плита опорная ОП-1к (1,615х1,615х0,25), альбом ПС-334 Опорная плита...

Выбор цены
Подробнее
Плита опорная ПО-4 с отверстием 700 Серия 3.006.1-2.87 Выпуск 6-24, стр 28
1.3.294 Плита опорная ПО-4 с отверстием 700 Серия 3.006.1-2.87 Выпуск 6-24, стр 28
Характеристики
Длина
2300 мм
Ширина
1500 мм
Высота
200 мм

Плита опорная ПО-4 (2,3х1,5х0,20) с/о 700, серия 3.006.1-2.87 Желез...

Выбор цены
Подробнее
Плита опорная ПО-3 с отверстием 700 Серия 3.006.1-2.87 Выпуск 6-24, стр 27
1.3.293 Плита опорная ПО-3 с отверстием 700 Серия 3.006.1-2.87 Выпуск 6-24, стр 27
Характеристики
Длина
1750 мм
Ширина
1500 мм
Высота
160 мм

Плита опорная ПО-3 (1,75х1,5х0,16) с/о 700, серия 3.006.1-2.87 Желе...

Выбор цены
Подробнее
Плита опорная ПО-1 с двумя отверстиями d 700 Серия 3.006.1-2.87 Выпуск 6-24, стр 25
1.3.291 Плита опорная ПО-1 с двумя отверстиями d 700 Серия 3.006.1-2.87 Выпуск 6-24, стр 25
Характеристики
Длина
2300 мм
Ширина
2000 мм
Высота
180 мм

Плита опорная ПО-1 (2,30х2,0х0,18) с двумя отверстиями d 700, серия 3....

Выбор цены
Подробнее
Опорная плита ОП 5.4-Т серия 1.225-2, выпуск 11
1.5.23 Опорная плита ОП 5.4-Т серия 1.225-2, выпуск 11
Характеристики
Длина
380 мм
Ширина
510 мм
Высота
140 мм

Выбор цены
Подробнее
Опорная плита ОП 5.2-Т серия 1.225-2, выпуск 11
1.5.22 Опорная плита ОП 5.2-Т серия 1.225-2, выпуск 11
Характеристики
Длина
380 мм
Ширина
250 мм
Высота
140 мм

Выбор цены
Подробнее
Опорная плита ОП 4.4-Т серия 1.225-2, выпуск 11
1.5.21 Опорная плита ОП 4.4-Т серия 1.225-2, выпуск 11
Характеристики
Длина
380 мм
Ширина
380 мм
Высота
140 мм

Выбор цены
Подробнее
Плиты опорные ПО серия 3.006.1-2.87
1.3.290 Плиты опорные ПО серия 3.006.1-2.87

Железобетонная плита перекрытия ПО предназначена для организации надеж...

Опорные плиты ОП серия 1.225-2, вып. 11
1.5.20 Опорные плиты ОП серия 1.225-2, вып. 11

Опорные плиты ОП Описание: Опорные плиты ОП – это железобето...

Каталог
Корзина
Избранное
Контакты
MAX
Краснодар
MAX
Ростов-на-Дону
Краснодар
Ростов-на-Дону