1. Главная
  2. / Категории
  3. / ЖЕЛЕЗОБЕТОННЫЕ ИЗДЕЛИЯ
  4. / Плиты перекрытия и днища
  5. / Плиты перекрытия ПТО
  6. / Плита перекрытия ПТО 200.240.14-6

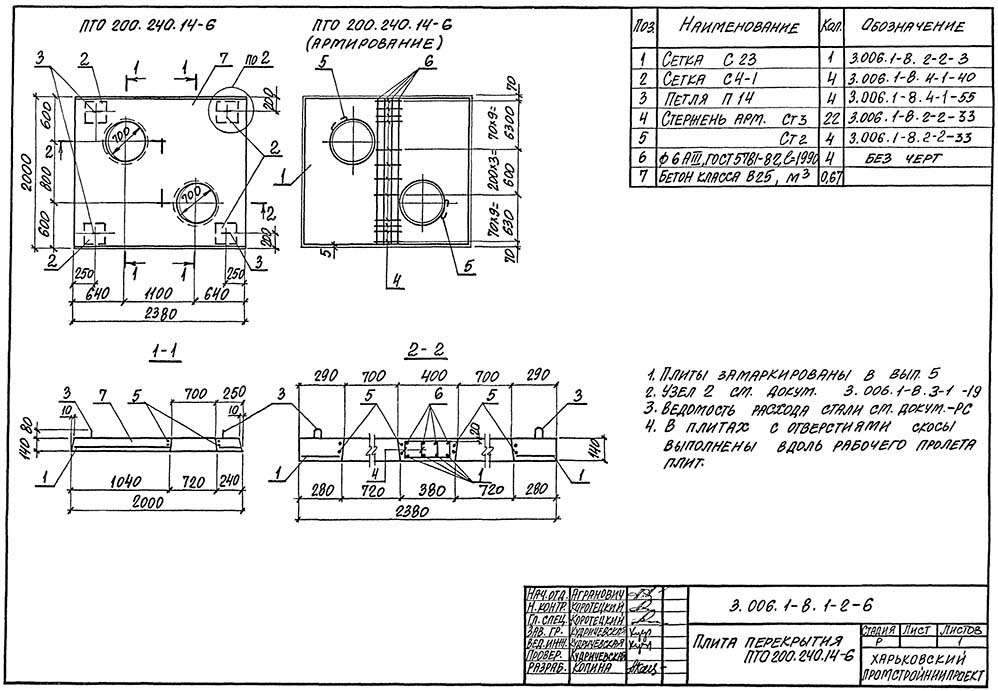
Плита перекрытия ПТО 200.240.14-6

Серия 3.006.1-8 Выпуск 1-2, стр 9
Выбор цены
Характеристики
Длина: 2000 мм
Ширина: 2380 мм
Высота: 140 мм
Масса: 1675 кг
Бетон м3: 0.67

Описание

  Плита перекрытия ПТО 200.240.14-6 (2,38х2,00х0,14), серия 3.006.1-8- железобетонная плита, предназначенная для надежного перекрытия лотков и каналов, а также для создания удобного доступа к подземным коммуникациям. Эта плита, имеющая стандартные размеры 2000х2380х140 мм, оснащена двумя круглыми отверстиями диаметром 700 мм. Это отверстие служит для установки смотровых колодцев, позволяя как просто закрыть вход люком, так и сформировать полноценную шахту с камерой, используя для этого бетонные кольца.  

Характеристика:

Назначение:

Основная функция плиты – обеспечить прочное и герметичное покрытие для каналов, тоннелей и тепловых камер, защищая их от внешних воздействий. Она предотвращает разрушение изоляции, обвалы грунта и проникновение влаги, что особенно важно для сохранения целостности инженерных сетей. Плита подходит для использования как в надземных, так и в подземных сооружениях, и способна выдерживать значительные вертикальные нагрузки благодаря своей конструкции.

Материалы и производство:

Для обеспечения высокой прочности и долговечности плита изготавливается из тяжелого бетона класса В25 (М200-300) и армируется стальными стержнями классов А-I и A-III. Все металлические элементы проходят антикоррозийную обработку. Армирование осуществляется с помощью сварных сеток и каркасов, которые располагаются под защитным слоем бетона толщиной 15-20 мм. Особое внимание уделяется зонам вокруг отверстий: там устанавливается дополнительное армирование, чтобы сохранить общую прочность изделия.

Производство таких плит регламентируется Серией 3.006.1-8, выпуск 1-2. Размеры изделий обусловлены необходимостью перекрывать лотки как вдоль, так и поперек, в соответствии с проектными схемами.

Применение:

Для эксплуатации в условиях повышенной влажности и агрессивных сред, плиты могут быть дополнительно защищены от коррозии. В бетонную смесь добавляются специальные присадки, повышающие ее устойчивость к химическим воздействиям.

Вес плиты составляет около 1675 кг, что обеспечивает ее надежную фиксацию на месте за счет собственного веса, исключая смещение. Монтаж осуществляется с помощью четырех встроенных монтажных петель.

Плиты отличаются высокой морозостойкостью (F300), что позволяет им успешно переносить частые перепады температур. Высокий класс водонепроницаемости в сочетании с качественной гидроизоляцией гарантирует сухость внутри канала. После монтажа швы между плитами и лотками заделываются раствором или мастикой, а также выполняется гидро- и пароизоляция.

Важно отметить, что эти плиты не предназначены для перекрытия зданий.

Маркировка изделия, например, ПТО 200.240.14-6 , несет в себе следующую информацию:

ПТО – указывает на тип изделия: плита перекрытия каналов с отверстием.
200 – длина изделия в сантиметрах .
240 – ширина изделия в сантиметрах.
14 – толщина плиты в сантиметрах.
6 – расчетная эквивалентная вертикальная нагрузка в тоннах на квадратный метр (6 тс/м²).
При необходимости, для обозначения устойчивости к агрессивным средам, к маркировке добавляется буква "Н". На торцевой грани плиты также указываются ее масса, дата изготовления и полная маркировка.

Контроль качества продукции: 

При производстве плит для каналов особое внимание уделяется их качеству. Бетонное покрытие не должно иметь трещин, раскрытие которых превышает 0,3 мм. Важно, чтобы арматурные каркасы были полностью скрыты под бетоном, а толщина защитного слоя не отклонялась от нормы более чем на 5 мм. Геометрические размеры плит должны максимально соответствовать проектным. Допустимые отклонения по длине составляют не более 10 мм, по ширине – до 6 мм, а по толщине – до 2 мм. Прямолинейность поверхности плиты не должна иметь перепадов более 5 мм.

В процессе приемки и сдачи продукции проверяются следующие характеристики плит перекрытия:

Каждая партия плит покрытия каналов должна сопровождаться техническим паспортом качества, содержащим следующую информацию:

Транспортировка и хранение:

Для сохранения целостности плит до момента их установки необходимо соблюдать правила разгрузки, хранения и перевозки. В отличие от многих других железобетонных изделий, плиты покрытия транспортируются в вертикальном положении, "на ребро". При складировании в штабеля их высота не должна превышать 2,5 метра. Под нижний ряд плит, на ровное основание, обязательно укладываются деревянные прокладки толщиной не менее 3 см. При перевозке изделия должны быть надежно закреплены на транспортном средстве, с использованием прокладок и подкладок в местах крепления подъемных петель.

Заключение:

Плиты ПТО для перекрытия лотков и каналов являются важными элементами современных строительных технологий, помогающими создавать надежные и функциональные инженерные системы. Их высокие технические характеристики, легкость монтажа и долговечность делают эти изделия востребованными в различных отраслях строительства и инфраструктуры.

Приобретение:  Плиту перекрытия 200.240.14-6 (2,38х2,00х0,14), серия 3.006.1-8- можно приобрести на сайте через удобную форму онлайн заказа, позвонив нашим менеджерам (смотрите контакты), или на наших базах в Ростове-на-Дону, Краснодаре и Шахтах. Через сайт, в онлайн режиме, можно написать или позвонить нашим профессиональным менеджерам и получить интересующую информацию.

ООО " ППТК " Энергострой", являясь крупным производителем железобетонных изделий на юге России, гарантируем качество, наличие на складах и оптимальные цены на Плиты перекрытия 200.240.14-6 (2,38х2,00х0,14) . Осуществляем доставку своим транспортом по Краснодарскому краю, Ростовской области. В другие регионы по договоренности.

Смотрите также

Плита перекрытия лотков и каналов угловая ПТУ 230.150.12-6 Серия 3.006.1-8 Выпуск 1-2, стр 7
1.3.274 Плита перекрытия лотков и каналов угловая ПТУ 230.150.12-6 Серия 3.006.1-8 Выпуск 1-2, стр 7
Характеристики
Длина
2340 мм
Ширина
1480 мм
Высота
120 мм

Плита перекрытия лотков и каналов угловая ПТУ 230.150.12-6 (2,34х1,48х...

Выбор цены
Подробнее
Плита перекрытия лотков и каналов угловая ПТУ 210.120.12-6 Серия 3.006.1-8 Выпуск 1-2, стр 6
1.3.273 Плита перекрытия лотков и каналов угловая ПТУ 210.120.12-6 Серия 3.006.1-8 Выпуск 1-2, стр 6
Характеристики
Длина
2060 мм
Ширина
1180 мм
Высота
120 мм

Плита перекрытия лотков и каналов угловая ПТУ 210.120.12-6 (2,06х1,18х...

Выбор цены
Подробнее
Плита перекрытия лотков и каналов угловая ПТУ 180.90.10-6 Серия 3.006.1-8 Выпуск 1-2, стр 6
1.3.272 Плита перекрытия лотков и каналов угловая ПТУ 180.90.10-6 Серия 3.006.1-8 Выпуск 1-2, стр 6
Характеристики
Длина
1780 мм
Ширина
880 мм
Высота
100 мм

Плита перекрытия лотков и каналов угловая ПТУ 180.90.10-6 (1,78х0,88х0...

Выбор цены
Подробнее
Плита перекрытия лотков и каналов угловая ПТУ 100.60.8-6 Серия 3.006.1-8 Выпуск 1-2, стр 5
1.3.271 Плита перекрытия лотков и каналов угловая ПТУ 100.60.8-6 Серия 3.006.1-8 Выпуск 1-2, стр 5
Характеристики
Длина
980 мм
Ширина
580 мм
Высота
80 мм

Плита перекрытия лотков и каналов угловая ПТУ 100.60.8-6 (0,98х0,58х0,...

Выбор цены
Подробнее
Плита перекрытия ПТО 150.240.14-6 Серия 3.006.1-8 Выпуск 1-2, стр 8
1.3.263 Плита перекрытия ПТО 150.240.14-6 Серия 3.006.1-8 Выпуск 1-2, стр 8
Характеристики
Длина
1480 мм
Ширина
2380 мм
Высота
140 мм

Плита перекрытия ПТО 150.240.14-6 (2,38х1,48х0,14), серия 3.006.1-8-же...

Выбор цены
Подробнее
Плита перекрытия ПТО 150.180.14-6 Серия 3.006.1-8 Выпуск 1-2, стр 8
1.3.262 Плита перекрытия ПТО 150.180.14-6 Серия 3.006.1-8 Выпуск 1-2, стр 8
Характеристики
Длина
1480 мм
Ширина
1780 мм
Высота
140 мм

Плита перекрытия ПТО 150.180.14-6 (1,78х1,48х0,14), серия 3.006.1-8-же...

Выбор цены
Подробнее
Плита перекрытия ПТО 150.150.12-6 Серия 3.006.1-8 Выпуск 1-2, стр 7
1.3.261 Плита перекрытия ПТО 150.150.12-6 Серия 3.006.1-8 Выпуск 1-2, стр 7
Характеристики
Длина
1480 мм
Ширина
1480 мм
Высота
120 мм

Плита перекрытия ПТО 150.150.12-6 (1,48х1,48х0,12), серия 3.006.1-8-же...

Выбор цены
Подробнее
Плита перекрытия ПТ 75.120.12-3 серия 3.006.1-8 выпуск 0-1 стр. 30,31
1.3.184 Плита перекрытия ПТ 75.120.12-3 серия 3.006.1-8 выпуск 0-1 стр. 30,31
Характеристики
Длина
740 мм
Ширина
1180 мм
Высота
120 мм

Плита перекрытия ПТ 75.120.12-3 (0,74х1,18х0,12), серия 3.006.1-8 -Пли...

Выбор цены
Подробнее
Плита перекрытия ПТ 75.120.12-1,5 серия 3.006.1-8 выпуск 0-1 стр. 30,31
1.3.183 Плита перекрытия ПТ 75.120.12-1,5 серия 3.006.1-8 выпуск 0-1 стр. 30,31
Характеристики
Длина
740 мм
Ширина
1180 мм
Высота
120 мм

Плита перекрытия ПТ 75.120.12-1,5 (0,74х1,18х0,12), серия 3.006.1-8 -П...

Выбор цены
Подробнее
Плита перекрытия ПТ 300.120.12-15 серия 3.006.1-8 выпуск 0-1 стр. 30,31
1.3.182 Плита перекрытия ПТ 300.120.12-15 серия 3.006.1-8 выпуск 0-1 стр. 30,31
Характеристики
Длина
2990 мм
Ширина
1180 мм
Высота
120 мм

Плита перекрытия ПТ 300.120.12-15 (2,99х1,18х0,12), серия 3.006.1-8-Пл...

Выбор цены
Подробнее
Плита перекрытия ПТ 300.120.12-12 серия 3.006.1-8 выпуск 0-1 стр. 30,31
1.3.181 Плита перекрытия ПТ 300.120.12-12 серия 3.006.1-8 выпуск 0-1 стр. 30,31
Характеристики
Длина
2990 мм
Ширина
1180 мм
Высота
120 мм

Плита перекрытия ПТ 300.120.12-12 (2,99х1,18х0,12), серия 3.006.1-8-Пл...

Выбор цены
Подробнее
Плита перекрытия ПТ 300.120.12-9 серия 3.006.1-8 выпуск 0-1 стр. 30,31
1.3.180 Плита перекрытия ПТ 300.120.12-9 серия 3.006.1-8 выпуск 0-1 стр. 30,31
Характеристики
Длина
2990 мм
Ширина
1180 мм
Высота
120 мм

Плита перекрытия ПТ 300.120.12-9 (2,99х1,18х0,12), серия 3.006.1-8-Пли...

Выбор цены
Подробнее
Плита перекрытия ПТ 300.120.12-6 серия 3.006.1-8 выпуск 0-1 стр. 30,31
1.3.179 Плита перекрытия ПТ 300.120.12-6 серия 3.006.1-8 выпуск 0-1 стр. 30,31
Характеристики
Длина
2990 мм
Ширина
1180 мм
Высота
120 мм

Плита перекрытия ПТ 300.120.12-6 (2,99х1,18х0,12), серия 3.006.1-8-Пли...

Выбор цены
Подробнее
Плита перекрытия ПТ 300.120.12-3 серия 3.006.1-8 выпуск 0-1 стр. 30,31
1.3.178 Плита перекрытия ПТ 300.120.12-3 серия 3.006.1-8 выпуск 0-1 стр. 30,31
Характеристики
Длина
2990 мм
Ширина
1180 мм
Высота
120 мм

Плита перекрытия ПТ 300.120.12-3 (2,99х1,18х0,12), серия 3.006.1-8-Пли...

Выбор цены
Подробнее
Плита перекрытия ПТ 300.120.12-1,5 серия 3.006.1-8 выпуск 0-1 стр. 30,31
1.3.177 Плита перекрытия ПТ 300.120.12-1,5 серия 3.006.1-8 выпуск 0-1 стр. 30,31
Характеристики
Длина
2990 мм
Ширина
1180 мм
Высота
120 мм

Плита перекрытия ПТ 300.120.12-1,5 (2,99х1,18х0,12), серия 3.006.1-8-П...

Выбор цены
Подробнее
Плита перекрытия ПТ 75.90.10-15 серия 3.006.1-8 выпуск 0-1 стр. 30,31
1.3.176 Плита перекрытия ПТ 75.90.10-15 серия 3.006.1-8 выпуск 0-1 стр. 30,31
Характеристики
Длина
740 мм
Ширина
880 мм
Высота
100 мм

Плита перекрытия ПТ 75.90.10-15 (0,74х0,88х0,10), серия 3.006.1-8.3-1...

Выбор цены
Подробнее
Плита перекрытия ПТ 75.90.10-6 серия 3.006.1-8 выпуск 0-1 стр. 30,31
1.3.174 Плита перекрытия ПТ 75.90.10-6 серия 3.006.1-8 выпуск 0-1 стр. 30,31
Характеристики
Длина
740 мм
Ширина
880 мм
Высота
100 мм

Плита перекрытия ПТ 75.90.10-6 (0,74х0,88х0,10), серия 3.006.1-8.3-1 -...

Выбор цены
Подробнее
Плита перекрытия ПТ 75.90.10-3 серия 3.006.1-8 выпуск 0-1 стр. 30,31
1.3.173 Плита перекрытия ПТ 75.90.10-3 серия 3.006.1-8 выпуск 0-1 стр. 30,31
Характеристики
Длина
740 мм
Ширина
880 мм
Высота
100 мм

Плита перекрытия ПТ 75.90.10-3 (0,74х0,88х0,10), серия 3.006.1-8.3-1 -...

Выбор цены
Подробнее
Плита перекрытия ПТ 75.90.10-1,5 серия 3.006.1-8 выпуск 0-1 стр. 30,31
1.3.172 Плита перекрытия ПТ 75.90.10-1,5 серия 3.006.1-8 выпуск 0-1 стр. 30,31
Характеристики
Длина
740 мм
Ширина
880 мм
Высота
100 мм

Плита перекрытия ПТ 75.90.10-1,5 (0,74х0,88х0,10), серия 3.006.1-8.3-1...

Выбор цены
Подробнее
Плита перекрытия ПТ 300.90.10-15 серия 3.006.1-8 выпуск 0-1 стр. 30,31
1.3.171 Плита перекрытия ПТ 300.90.10-15 серия 3.006.1-8 выпуск 0-1 стр. 30,31
Характеристики
Длина
2990 мм
Ширина
880 мм
Высота
100 мм

Плита перекрытия ПТ 300.90.10-15 (2,99х0,88х0,10), серия 3.006.1-8.3-1...

Выбор цены
Подробнее
Плита перекрытия ПТ 300.90.10-9 серия 3.006.1-8 выпуск 0-1 стр. 30,31
1.3.170 Плита перекрытия ПТ 300.90.10-9 серия 3.006.1-8 выпуск 0-1 стр. 30,31
Характеристики
Длина
2990 мм
Ширина
880 мм
Высота
100 мм

Плита перекрытия ПТ 300.90.10-9 (2.99х0,88х0,10), серия 3.006.1-8.3-1-...

Выбор цены
Подробнее
Плита перекрытия ПТ 300.90.10-6 серия 3.006.1-8 выпуск 0-1 стр. 30,31
1.3.169 Плита перекрытия ПТ 300.90.10-6 серия 3.006.1-8 выпуск 0-1 стр. 30,31
Характеристики
Длина
2990 мм
Ширина
880 мм
Высота
100 мм

Плита перекрытия ПТ 300.90.10-6 (2.99х0,88х0,10), серия 3.006.1-8.3-1...

Выбор цены
Подробнее
Плита перекрытия ПТ 300.90.10-3 серия 3.006.1-8 выпуск 0-1 стр. 30,31
1.3.168 Плита перекрытия ПТ 300.90.10-3 серия 3.006.1-8 выпуск 0-1 стр. 30,31
Характеристики
Длина
2990 мм
Ширина
880 мм
Высота
100 мм

Плита перекрытия ПТ 300.90.10-3 (2.99х0,88х0,10), серия 3.006.1-8.3-1...

Выбор цены
Подробнее
Плита перекрытия ПТ 300.90.10-1,5 серия 3.006.1-8 выпуск 0-1 стр. 30,31
1.3.167 Плита перекрытия ПТ 300.90.10-1,5 серия 3.006.1-8 выпуск 0-1 стр. 30,31
Характеристики
Длина
2990 мм
Ширина
880 мм
Высота
100 мм

Плита перекрытия ПТ 300.90.10-1,5 (2,99х0,88х0,10), серия 3.006.1-8.3-...

Выбор цены
Подробнее
Плита перекрытия ПТ 75.60.8-15 серия 3.006.1-8 выпуск 0-1 стр. 30,31
1.3.165 Плита перекрытия ПТ 75.60.8-15 серия 3.006.1-8 выпуск 0-1 стр. 30,31
Характеристики
Длина
740 мм
Ширина
580 мм
Высота
80 мм

Плита перекрытия ПТ 75.60.8-15 (0,74х0,58х0,08), серия 3.006.1-8.3-1-П...

Выбор цены
Подробнее
Плита перекрытия ПТ 75.60.8-9 серия 3.006.1-8 выпуск 0-1 стр. 30,31
1.3.164 Плита перекрытия ПТ 75.60.8-9 серия 3.006.1-8 выпуск 0-1 стр. 30,31
Характеристики
Длина
740 мм
Ширина
580 мм
Высота
80 мм

Плита перекрытия ПТ 75.60.8-9 (0,74х0,58х0,08), серия 3.006.1-8.3-1-Пл...

Выбор цены
Подробнее
Плита перекрытия ПТ 75.60.8-6 серия 3.006.1-8 выпуск 0-1 стр. 30,31
1.3.163 Плита перекрытия ПТ 75.60.8-6 серия 3.006.1-8 выпуск 0-1 стр. 30,31
Характеристики
Длина
740 мм
Ширина
580 мм
Высота
80 мм

Плита перекрытия ПТ 75.60.8-6 (0,74х0,58х0,08), серия 3.006.1-8.3-1 -П...

Выбор цены
Подробнее
Плита перекрытия ПТ 75.60.8-3 серия 3.006.1-8 выпуск 0-1 стр. 30,31
1.3.162 Плита перекрытия ПТ 75.60.8-3 серия 3.006.1-8 выпуск 0-1 стр. 30,31
Характеристики
Длина
740 мм
Ширина
580 мм
Высота
80 мм

Плита перекрытия ПТ 75.60.8-3 (0,74х0,58х0,08), серия 3.006.1-8.3-1 -П...

Выбор цены
Подробнее
Плита перекрытия ПТ 36.60.8-15 серия 3.006.1-8 выпуск 0-1 стр. 30,31
1.3.161 Плита перекрытия ПТ 36.60.8-15 серия 3.006.1-8 выпуск 0-1 стр. 30,31
Характеристики
Длина
360 мм
Ширина
580 мм
Высота
80 мм

Плита перекрытия ПТ 36.60.8-15 (0,36х0,58х0,08), серия 3.006.1-8 выпус...

Выбор цены
Подробнее
Плита перекрытия ПТ 36.60.8-12 серия 3.006.1-8 выпуск 0-1 стр. 30,31
1.3.160 Плита перекрытия ПТ 36.60.8-12 серия 3.006.1-8 выпуск 0-1 стр. 30,31
Характеристики
Длина
360 мм
Ширина
580 мм
Высота
120 мм

Плита перекрытия ПТ 36.60.8-12 (0,36х0,58х0,08), серия 3.006.1-8 выпус...

Выбор цены
Подробнее
Плита перекрытия ПТ 36.60.8-9 серия 3.006.1-8 выпуск 0-1 стр. 30,31
1.3.159 Плита перекрытия ПТ 36.60.8-9 серия 3.006.1-8 выпуск 0-1 стр. 30,31
Характеристики
Длина
360 мм
Ширина
580 мм
Высота
80 мм

Плита перекрытия ПТ 36.60.8-9 (0,36х0,58х0,08), серия 3.006.1-8 выпуск...

Выбор цены
Подробнее
Плита перекрытия ПТ 75.45.6-15 серия 3.006.1-8 выпуск 0-1 стр. 30,31
1.3.157 Плита перекрытия ПТ 75.45.6-15 серия 3.006.1-8 выпуск 0-1 стр. 30,31
Характеристики
Длина
740 мм
Ширина
430 мм
Высота
60 мм

Плита перекрытия ПТ 75.45.6-15 (0,74х0,43х0.06), серия 3.006.1-8 -Плит...

Выбор цены
Подробнее
Плита перекрытия ПТ 75.45.6-9 серия 3.006.1-8 выпуск 0-1 стр. 30,31
1.3.156 Плита перекрытия ПТ 75.45.6-9 серия 3.006.1-8 выпуск 0-1 стр. 30,31
Характеристики
Длина
740 мм
Ширина
430 мм
Высота
60 мм

Плита перекрытия ПТ 75.45.6-9 (0,74х0,43х0.06), серия 3.006.1-8-Плита...

Выбор цены
Подробнее
Плита перекрытия ПТ 75.45.6-6 серия 3.006.1-8 выпуск 0-1 стр. 30,31
1.3.155 Плита перекрытия ПТ 75.45.6-6 серия 3.006.1-8 выпуск 0-1 стр. 30,31
Характеристики
Длина
740 мм
Ширина
430 мм
Высота
60 мм

Плита перекрытия ПТ 75.45.6-6 (0,74х0,43х0.06), серия 3.006.1-8-Плита...

Выбор цены
Подробнее
Плита перекрытия ПТ 75.45.6-3 серия 3.006.1-8 выпуск 0-1 стр. 30,31
1.3.154 Плита перекрытия ПТ 75.45.6-3 серия 3.006.1-8 выпуск 0-1 стр. 30,31
Характеристики
Длина
740 мм
Ширина
430 мм
Высота
60 мм

Плита перекрытия ПТ 75.45.6-3 (0,74х0,43х0,06), серия 3.006.1-8-Плита...

Выбор цены
Подробнее
Плита перекрытия ПТ 36.45.6-15 серия 3.006.1-8 выпуск 0-1 стр. 30,31
1.3.153 Плита перекрытия ПТ 36.45.6-15 серия 3.006.1-8 выпуск 0-1 стр. 30,31
Характеристики
Длина
360 мм
Ширина
430 мм
Высота
60 мм

Плита перекрытия ПТ 36.45.6-15 (0,36х0,43х0,06), серия 3.006.1-8-Плита...

Выбор цены
Подробнее
Плита перекрытия ПТ 36.45.6-12 серия 3.006.1-8 выпуск 0-1 стр. 30,31
1.3.152 Плита перекрытия ПТ 36.45.6-12 серия 3.006.1-8 выпуск 0-1 стр. 30,31
Характеристики
Длина
360 мм
Ширина
430 мм
Высота
60 мм

Плита перекрытия ПТ 36.45.6-12 (0,36х0,43х0,06), серия 3.006.1-8 -Плит...

Выбор цены
Подробнее
Плита перекрытия ПТ 36.45.6-6 серия 3.006.1-8 выпуск 0-1 стр. 30,31
1.3.151 Плита перекрытия ПТ 36.45.6-6 серия 3.006.1-8 выпуск 0-1 стр. 30,31
Характеристики
Длина
360 мм
Ширина
430 мм
Высота
60 мм

Плита перекрытия ПТ 36.45.6-6 (0,36х0,43х0,06), серия 3.006.1-8 Пли...

Выбор цены
Подробнее
Каталог
Корзина
Избранное
Контакты
Краснодар
Ростов-на-Дону
Краснодар
Ростов-на-Дону